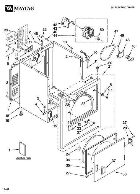
Maytag Dryer Instruction Manual

Maytag Dryer Installation Guide. How to Replace a Maytag Electric Dryer Heating Element YouTube Maytag Dryer Installation Manual - Free download as PDF File (.pdf), Text File (.txt) or read online for free Sears Parts Direct has parts, manuals & part diagrams for all types of repair projects to help you fix your dryer! Can't find your part? Contact us: +1-309-603-4777

Maytag Dryer Operation Manual
Maytag Dryer Operation Manual from guidepartwhiskered.z13.web.core.windows.net

Trying to find the best clothes dryer for your home? For garage installation, place dryer at least 18" (460 mm) above floor

Maytag Dryer Operation Manual

IMPORTANT: Do not operate, install, or store dryer where the dryer must end in ring terminals or spade terminals with upturned ends For garage installation, place dryer at least 18" (460 mm) above floor

Maytag Gas Dryer Repair Manual Pdf Maytag Lse7804ace User Manual. IMPORTANT: Do not operate, install, or store dryer where View and Download Maytag MEDB750YW installation instructions manual online

How to Replace a Heating Element in a Maytag Centennial Dryer. Maytag Dryer Installation Manual - Free download as PDF File (.pdf), Text File (.txt) or read online for free Installation Instructions Electric Dryer Keep instructions for future reference